WC-Element für den Nassbau VIS
WC-Element VIS f.Nassbau m.UP-Spülk.7,5l BH:1090mm Betätigung von vorn CONEL
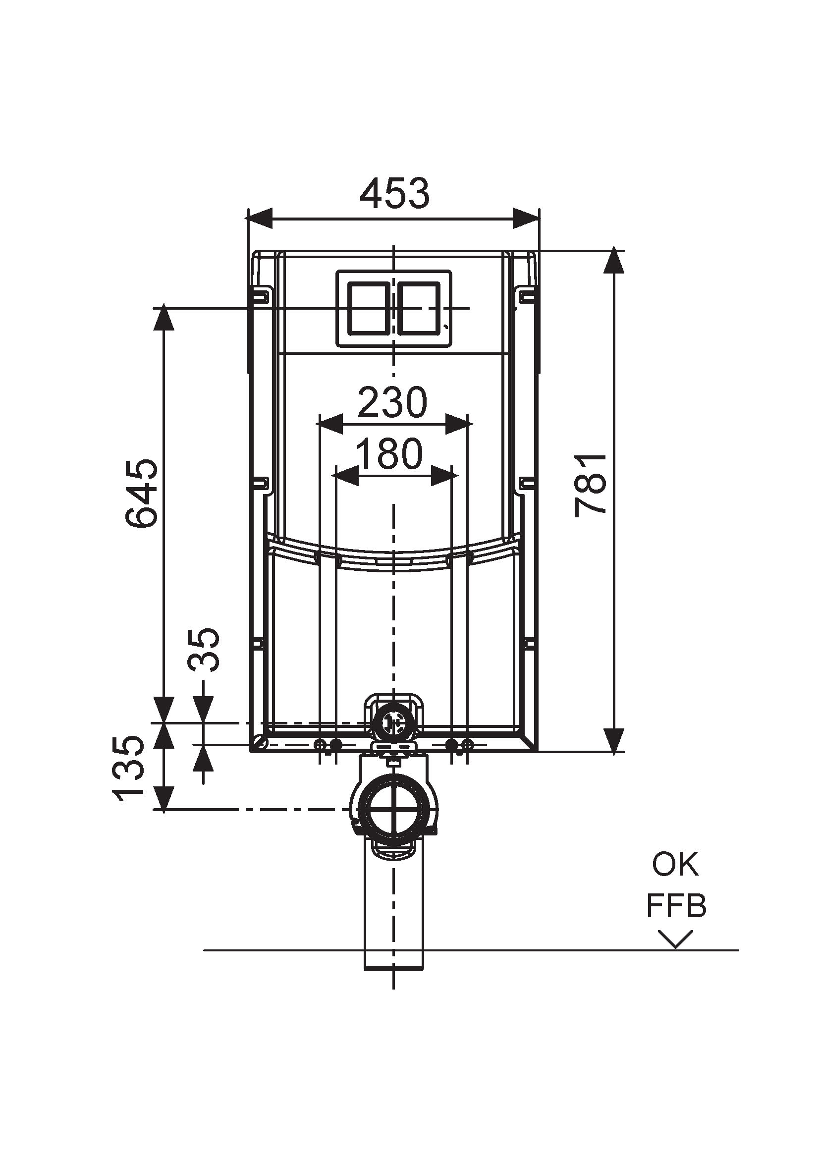
- Bauhöhe: 1.090 mm
- 2-Mengen-Spülung (7,5 – 4,5 l / 4 – 2 l) mit kleiner Revisionsöffnung und Kabeltechnik
- einfache und schnelle Montage
- vormontierter schwitzwasserisolierter SANIT UP-Spülkasten
- flexibler Schlauch zum Füllventil handverschraubbar
- 4-fach verstellbarer Ablaufbogen
- Bauhöhe: 1.090 mm
- 2-Mengen-Spülung (7,5 – 4,5 l / 4 – 2 l) mit kleiner Revisionsöffnung und Kabeltechnik
- einfache und schnelle Montage
- vormontierter schwitzwasserisolierter SANIT UP-Spülkasten
- flexibler Schlauch zum Füllventil handverschraubbar
- 4-fach verstellbarer Ablaufbogen
Dokumente
Beiblatt
Montageanleitung
Datenblatt
Technische Spezifikationen
Verstellbare Breite
nein
Bauhöhe (cm)
109
Anschluss Leitungswasser
sonstige
Min. Spülvolumen (l)
2
Max. Spülvolumen (l)
7.5
Spülung
zwei Mengen
Mit Kontaktgeräuschisolierungsset
nein
Mit Halterung geeignet für hohe Wandmontage
ja
Mit Halterung geeignet für Bodenmontage
ja
Mit Eckventil
nein
Mit Befestigungsmaterial für das Element
ja
Handbedienung möglich
ja
Einstellbares Spülvolumen
ja
Selbsttragende Konstruktion
nein
Geeignet für die Bedienung über die Ablage
nein
Geeignet für die Frontbedienung
ja
Geeignet für elektrische Bedienung
nein
Oberfläche
verzinkt
Werkstoff
Stahl
Bauart
Vorwand
Höhenverstellbar
nein
Max. Breite (cm)
45.3
Max. Höhe (cm)
109
Max. Tiefe (cm)
20
Ergebnis
360° Ansicht
3D-MODELL MIT ERSATZTEILEN
Technische Spezifikationen
Verstellbare Breite
nein
Bauhöhe (cm)
109
Anschluss Leitungswasser
sonstige
Min. Spülvolumen (l)
2
Max. Spülvolumen (l)
7.5
Spülung
zwei Mengen
Mit Kontaktgeräuschisolierungsset
nein
Mit Halterung geeignet für hohe Wandmontage
ja
Mit Halterung geeignet für Bodenmontage
ja
Mit Eckventil
nein
Mit Befestigungsmaterial für das Element
ja
Handbedienung möglich
ja
Einstellbares Spülvolumen
ja
Selbsttragende Konstruktion
nein
Geeignet für die Bedienung über die Ablage
nein
Geeignet für die Frontbedienung
ja
Geeignet für elektrische Bedienung
nein
Oberfläche
verzinkt
Werkstoff
Stahl
Bauart
Vorwand
Höhenverstellbar
nein
Max. Breite (cm)
45.3
Max. Höhe (cm)
109
Max. Tiefe (cm)
20
Dokumente
Beiblatt
Montageanleitung
Datenblatt
3D Modell
KATALOG
360° Ansicht
3D-MODELL MIT ERSATZTEILEN
Weitere Produkte Aus der Kategorie

Doppelverbinder VIS

Duschablaufelement für Wand- u. Bodenmontage VIS

Eckverbinder VIS

Trennstreifen VIS

Duschablaufelement für Leerelement VIS

Universal-Verkleidungsplatte VIS

Verbindungsset VIS

WC-Element mit Fresh-Box VIS

Bidet-Montageelement VIS

Waschtisch-Montageelement barrierefrei VIS

Urinal-Montageelement VIS
